Service +49 (0)6184 93610

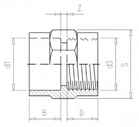
Eine Gewindemuffe wird auf der einen Seite mit einem Rohr verbunden. Auf der anderen Seite befindet sich ein Gewinde.

Diesen Fitting benutzen Sie häufig, wenn Sie den Abgang eines Filters mit Außengewinde verrohren wollen.

Sie haben Fragen zu Teichbedarf und Technik?
Wir sind für Sie erreichbar!
Montag - Freitag: 9.00 - 17.00 Uhr

(d) Innendurchmesser links (Rp) Innendurchmesser rechts  L1 L2 Z E CH PN Gewicht
25mm 3/4" 20mm  16,3mm  6mm  34mm  34mm  16mm  25g
32mm  1" 23mm  19,1mm 7mm 42mm  42mm 16mm 38g
40mm 1 1/4" 28mm  21,4mm  7mm  51mm  55mm  16mm 60g
50mm  1 1/2" 32mm 21,4mm  7mm  61mm  65mm  16mm  95g
63mm 2" 39mm  25,7mm  7mm  75mm  75mm 16mm 165g
75mm  2 1/2" 44m  30,2mm  8mm  89mm  90mm  16mm 215g
90mm  3"  51mm  33,3mm  9mm 106mm  110mm  16mm 340g 

 

 

(d1) Innendurchmesser links (d3) Innendurchmesser rechts Z B D S
25mm 1/2" 5mm 19mm 15mm 36mm
32mm  1/2" 10mm  22mm 15mm 46mm 
32mm 3/4" 9mm 22mm 16mm 46mm
40mm 1" 4mm 26mm 22mm 55mm

 

 

 

Gratisversand ab 100€ Warenwert

KOI Company Qualitätsversprechen

Kompetente Beratung vom Fachmann

Entdecken
Das könnte Sie auch interessieren
Schlauchtüllen mit Außengewinde
1-4 Werktage
Star
Star
Star
Star
Star

Durchschnittliche Bewertung von 5 von 5 Sternen

Schlauchtüllen mit Außengewinde

ab CHF 1.50*
PVC Stopfen mit Außengewinde
Derzeit nicht auf Lager
Star
Star
Star
Star
Star

Durchschnittliche Bewertung von 5 von 5 Sternen

PVC Stopfen mit Außengewinde

ab CHF 3.10*
Übergangsnippel
1-4 Werktage
Star
Star
Star
Star
Star
Star

Durchschnittliche Bewertung von 4.9 von 5 Sternen

Übergangsnippel

ab CHF 1.00*
Kupplungen mit Außengewinde
1-4 Werktage
Star
Star
Star
Star
Star

Durchschnittliche Bewertung von 5 von 5 Sternen

Kupplungen mit Außengewinde

ab CHF 9.00*
Entdecken
Das könnte Sie auch interessieren

Up-sells

Tipp
Star
Star
Star
Star
Star
Star

Durchschnittliche Bewertung von 4.8 von 5 Sternen

Montmorillonit (Tonmineral)

Varianten ab: 2.5 kg

ab CHF 25.50*
Tipp
Star
Star
Star
Star
Star
Star

Durchschnittliche Bewertung von 4.8 von 5 Sternen

Anarex-Bio®

Varianten ab: 1 L

ab CHF 10.00*
Star
Star
Star
Star
Star
Star

Durchschnittliche Bewertung von 4.2 von 5 Sternen

AquaForte Profi Teichheizer Edelstahl 1kW - 3kW

ab CHF 183.50*
Tipp
Star
Star
Star
Star
Star
Star

Durchschnittliche Bewertung von 4.8 von 5 Sternen

Anarex-Bio® Koi Humin

Varianten ab: 1 L

ab CHF 9.80*
Tipp
Star
Star
Star
Star
Star
Star

Durchschnittliche Bewertung von 4.8 von 5 Sternen

Anarex-Bio®

Varianten ab: 1 L

ab CHF 10.00*
Tipp
Star
Star
Star
Star
Star
Star

Durchschnittliche Bewertung von 4.7 von 5 Sternen

Fadenalgenfrei F

Varianten ab: 1 kg

ab CHF 18.70*
Star
Star
Star
Star
Star
Star

Durchschnittliche Bewertung von 4.2 von 5 Sternen

AquaForte Profi Teichheizer Edelstahl 1kW - 3kW

ab CHF 183.50*
Tipp
Star
Star
Star
Star
Star
Star

Durchschnittliche Bewertung von 4.8 von 5 Sternen

Anarex-Bio®

Varianten ab: 1 L

ab CHF 10.00*
Tipp
Star
Star
Star
Star
Star
Star

Durchschnittliche Bewertung von 4.8 von 5 Sternen

Anarex-Bio® Koi Humin

Varianten ab: 1 L

ab CHF 9.80*
Star
Star
Star
Star
Star

Durchschnittliche Bewertung von 5 von 5 Sternen

Malamix17®

Varianten ab: 1 L

ab CHF 31.30*
Tipp
Star
Star
Star
Star
Star
Star

Durchschnittliche Bewertung von 4.9 von 5 Sternen

Oishii® Balance - sinkend

Varianten ab: 1 kg

ab CHF 10.40*
Tipp
Star
Star
Star
Star
Star
Star

Durchschnittliche Bewertung von 4.7 von 5 Sternen

Fadenalgenfrei F

Varianten ab: 1 kg

ab CHF 18.70*
Tipp
Star
Star
Star
Star
Star
Star

Durchschnittliche Bewertung von 4.7 von 5 Sternen

Fadenalgenfrei F

Varianten ab: 1 kg

ab CHF 18.70*
Tipp
Star
Star
Star
Star
Star
Star

Durchschnittliche Bewertung von 4.7 von 5 Sternen

Fadenalgenfrei F

Varianten ab: 1 kg

ab CHF 18.70*
Tipp
Star
Star
Star
Star
Star
Star

Durchschnittliche Bewertung von 4.9 von 5 Sternen

Oishii® Balance - sinkend

Varianten ab: 1 kg

ab CHF 10.40*

4 von 4 Bewertungen

Star
Star
Star
Star
Star
Star

Durchschnittliche Bewertung von 4.7 von 5 Sternen


75%

25%

0%

0%

0%



4. April 2018 02:01

Star
Star
Star
Star
Star

Bewertung mit 5 von 5 Sternen

Ekomi-Bewertung

Handelsübliche gute PVC-Formstücke

4. April 2018 02:00

Star
Star
Star
Star
Star

Bewertung mit 5 von 5 Sternen

Ekomi-Bewertung

Alles Bestens, gerne wieder

29. Mai 2024 13:18

Star
Star
Star
Star
Star

Bewertung mit 5 von 5 Sternen

Ekomi-Bwertung

top

4. Juni 2025 02:00

Star
Star
Star
Star
Star

Bewertung mit 4 von 5 Sternen

Ekomi-Bwertung

Gut

Sie haben Fragen zu Gewindemuffen mit Innengewinde?
Christian ist unser Experte in diesem Gebiet! Rufen Sie bei uns an und lassen Sie sich von ihm persönlich beraten.
+49 (0)6184 93610 Mo-Fr: 9-12 & 14-17 Uhr